(866) 537-8232

Snow Melting Installation Manual

Complete guide for installing MeltMat snow melting systems on driveways, walkways, patios, and more.

Table of Contents

Some Typical Installations

Choose the coverage pattern that best fits your needs and budget.

Driveway and Walkway Full Cover

Driveway & Walkway Full Cover

Complete coverage for maximum snow removal

Driveway Full Cover

Driveway Full Cover

Full driveway coverage only

Tire Track and Part Walkway Cover

Tire Track + Walkway

Economical coverage for vehicle paths

Tire Track Cover

Tire Track Cover

Most economical option

1

Designing the System

STEP 1.1 - Determine Installation Areas

Determine general areas where you want to install MeltMat. Applications include:

  • Driveways and walkways
  • Patios and permanent ramps
  • Masonry steps and benches
  • Shipping docks
  • Under garage door seals
  • Anywhere outdoors where snow or ice accumulates

Important: MeltMat must be completely embedded in concrete, sand, or thick mortar bed. It cannot be installed indoors, in industrial locations, or areas with hazardous classifications. Do not use for gutter/pipe freeze protection or roof snowmelt. Do not install on non-masonry stairs or decks (wooden or composite).

Brick Pavers Note: If installing under brick pavers, we recommend installing cables under the entire area. Non-heated areas will receive melt water that may re-freeze, causing pavers to heave.

STEP 1.2 - Measure and Draw the Area

Make a drawing and measure the area. Eliminate areas where MeltMat cannot be installed, keeping in mind:

  • Mat cannot be laid within 6 inches of slab edges (12 inches if no curb is provided)
  • Avoid crossing expansion joints unless proper technique and protection steps are followed (see Step 3.14)
  • Keep heating cable at least 2 inches from underground cables or piping to keep from overheating them
  • Allow at least 2 inches, but not more than 4 inches, between adjacent cables or mat sections
  • Surface must not have obstructions placed on top capturing heat or allowing potential damage (pedestals, support columns, walls, light posts)

STEP 1.3 - Junction Box Placement

Determine where junction box(es) may be placed to receive the MeltMat power leads. This ensures mats fill the area correctly with optimal connection locations.

Junction Box Installation Diagram
  • Best to locate junction boxes on a wall indoors within distance of power leads
  • Standard power leads are 15 feet long (can be custom ordered up to 50 feet)
  • Outdoor boxes must be properly listed for rain-tight use above grade
  • Below-grade boxes require properly listed watertight items and proper connection seals

STEP 1.4 - Select Your MeltMat

WATTAGE:

Decide what heat output is required. Consider weather conditions and how critical it is to clear the heated area.

  • 50 watts/sq ft - Sufficient for heavy to moderate snowfall
  • 35 watts/sq ft - Sufficient for light to moderate snowfall

SIZE:

MeltMat is manufactured in a variety of sizes to fit your specific area.

AMPS and VOLTS:

Pay careful attention to the amps to make sure your controls, circuit breaker panel, and wiring will have the proper capacity.

STEP 1.5 - Select Controls and Sensors

Various types of controls may be used. Always consult your electrician and designers to ensure proper sizing, location, and site capabilities.

Determine Zoning:

  • One Zone: All areas heated at the same time with one control. One sensor tells the control when to operate and when snow is melted.
  • Multiple Zones: Some areas heated separately from others (e.g., sidewalks in front of store automatically first, then rear entrance areas manually later). Each zone requires its own control and sensor.

Determine Sensing - Moisture Sensing:

The TR8100VSM control has the moisture sensor attached to the end of a long length of cable. This sensor may be mounted on the roof or any place away from the building to receive the snowfall, while the control is mounted on an inside wall. Provides reliable automatic detection with adjustable delay times for complete melting.

Determine Load Size to Select Controls:

Calculate the total "amp draw" of the mats and/or cables selected for the zone:

  • 16 amps or more: TR8100VSM controller should be used with a contactor relay to avoid damage
  • Less than 16 amps: System may be directly connected to controller

STEP 1.6 - Consult Your Electrician

Consult with your electrician to make sure the mats/cables, control, and design will work properly:

  • MeltMat and control must be on a dedicated power supply from circuit breaker panel
  • MeltMat is a resistance heating system and should be considered as a continuous load for branch circuit sizing
  • Can be protected by 30 mA – 100 mA GFPE (ground fault equipment protection - see local code)
  • Follow NEC, CEC, and local code guidelines for branch circuit wiring, conduit, and junction box installations
  • Outdoor/underground junction boxes and conduit must meet rain-tight or watertight requirements as required
2

Preparations

STEP 2.1-2.4 - Inspect Mat, Control, and Sensor

2.1

Remove MeltMat, control, and sensor from packages. Inspect for visible damage and verify everything is correct size and type. Do not attempt to install damaged product.

2.2

Record the mat model number, serial number, voltage, and resistance range from the nameplate label. Give this information to the homeowner to keep. Do not remove the nameplate label.

2.3

Use a digital multi-meter to measure resistance between conductors of mat power leads. Record these resistances.

The resistance should be within range on nameplate label. If slightly low, it may be due to low air temperatures or meter calibration. If meter shows any change when test leads are not touching anything, contact factory before installing.

2.4

Electrician should perform insulation resistance test with megohmeter (e.g. Megger) adjusted to minimum 1000 VDC. Measured value should be at least 20 megohm (MΩ).

STEP 2.5-2.9 - Base Material Preparation

Site Preparation (2.5-2.6):

  • Prepare the site and ensure all utilities and obstructions are accounted for
  • Lay smooth, well-compacted gravel base
  • Ensure proper slope and drainage to avoid water buildup in heated or surrounding areas
  • This is especially important for brick paver applications - melted water may re-freeze and heave surrounding areas
  • Follow local building code for grade thickness and type
  • Account for total grade and slab thickness for pedestrian and vehicular traffic use
  • If mat is placed on existing pavement, inspect for sharp objects, loose sections, or potentially damaging issues

Concrete Application (2.7):

  • Attach reinforcement (wire mesh or rebar) over base at about 2 inches below top surface
  • Use "chairs" or appropriate objects to raise wire mesh to correct level
  • MeltMat will be attached to this reinforcement later
  • Cable must be completely embedded in concrete
  • Protect or remove sharp protrusions by bending over, capping, or cutting - sharp edges may damage heating cable

Paver or Stone Applications (2.8):

Follow guidelines recommended by paver manufacturer. If sand is applied over gravel base, the mat must first be secured in place then covered with minimum 1-1/2 inch layer of sand to completely embed the mat.

Ceramic or Stone Tile Applications (2.9):

MeltMat can be installed in the structural slab or in a thick mortar bed above a structural slab. In either case, prepare base according to Concrete Application guidelines (2.7).

STEP 2.10-2.15 - Electrical Preparation

2.10

Install junction boxes in the locations planned during design process (Step 1.3)

2.11

Install conduit and branch circuit wiring from circuit breaker panel to control location, and from control to junction boxes. Follow local code for wire size, conduit requirements, and proper installation procedure.

2.12

Install conduit from junction box to edge of slab. Extend conduit into slab edge 2-6 inches and attach bushing to protect power leads.

  • Follow electrical code for burial depth of conduit
  • Plan carefully for edge pavers, drainage systems, landscaping
2.13

If slab sensor is to be embedded, install conduit from control location to desired slab location. Follow sensor instructions for proper placement and connections.

2.14

Install circuit breaker size and type as determined in Step 1.6. DO NOT connect branch wiring to breaker yet.

2.15

Label the circuit breaker in panel with "Snow Melt" or similar.

3

Installation of Mat

Basic Installation

⚠️ CRITICAL WARNINGS - STEP 3.2

  • Do NOT install heating cables in series - ALL elements must be installed in parallel
  • Heating cable CANNOT be cut shorter to fit! Do not overlap or cross heating cable on itself
  • Do not space heating cable closer than 2 inches
  • Mat cannot be laid closer than 6 inches from edges of slabs (12 inches if no curb)
  • Avoid crossing expansion joints unless proper protection steps are followed
  • Avoid placing heating cable closer than 2 inches from underground cable or piping
  • Allow at least 2 inches, but not more than 4 inches, between adjacent mats or sections
  • Do not repeatedly bend the heating cable, and never bend factory splices
3.1

Determine a time to install when equipment, heavy tools, and site traffic will be minimal. Be prepared to apply surfacing courses over mat the same day for protection.

If installing mat in upper layer of two-stage concrete slab, the mat should be completely ready for second stage. There is limited time between stages as slab should not be allowed to fully cure. Install in temperatures at least 40°F (4.5°C).

3.2

Begin by test-fitting the mat or cable in the area. For mat, unroll it completely. Turn and flip by cutting tape where needed. Make sure it fits area properly. Inspect area and remove any sharp objects.

3.3

Place power leads of mat/cable next to conduit entry. Electrician will pull through conduit later. Make sure no part of splice connection or heating cable will be pulled into conduit.

Application-Specific Instructions

Concrete Application (3.4)

  • Secure mat every 2 feet to reinforcement mesh or rebar using plastic cable ties around heating cable
  • Turn cable tie ends downward, or trim so they won't poke through surface
  • Do not use metal ties as they may damage cable
  • On existing slab, secure mat by nailing through tape every 2 feet
  • NEVER strike heating cable with hammer

Stone or Paver Application (3.5)

  • Secure mat onto base with landscape fabric stakes over mat tape every 2 feet
  • Make sure mat is laid flat
  • Do not use metallic stakes or staples directly over heating cable
  • Be careful not to damage the heating cable

Ceramic or Stone Tile Applications (3.6)

  • Dry-set or Thin-set Mortar: Install mat in slab, no less than 1.5" and no deeper than 2" below top surface. Follow Section 3.4 recommendations.
  • Cement Mortar or Thick-set: Cable installed in minimum 1.25" thick mortar bed above structural slab. Secure to top of slab by nailing through tape every 2 feet. Never strike heating cable with hammer. Minimum 1.25" mortar bed installed over cables.

STEP 3.7 - Cutting and Turning the Mat

If you need to cut and turn the mat, or fill odd areas, carefully cut the tape holding the heating cables. Heating cables should be secured about 3 inches apart, and no less than 2 inches apart.

✓ DO! - Correct Methods

Correct mat cutting methods

✗ DON'T! - Incorrect Methods

Incorrect mat cutting methods

Mat Turning Techniques

Mat turning techniques

Testing, Connection, and Documentation

3.8

Use digital multi-meter to measure resistance between conductors of mat power leads again. Record these resistances.

3.9

Feed power leads through conduit into junction box, leaving at least 6 inches of free lead length. Secure heating cable and splice so they will not be pulled into conduit. Insert generous amount of electrical conduit sealant around leads to prevent water entry.

3.10

If slab sensor is being installed, place sensor socket according to instructions. Secure and seal to conduit. Position halfway between heating cables. Top of sensor must be flush with finish surface. Protect with cap or seal.

3.11

📸 Take a photo of the mat installation! This can be very helpful later for utility work, changes to the site, etc. to avoid possible damage. Keep photos with this installation manual.

STEP 3.12 - Special Applications: Stairs

If installing MeltMat onto stairs, carefully cut the tape holding the heating cable. Continue up each stair following these guidelines:

MeltMat on stairs
  • Lay cable no greater than 3 inches from front edge of finished tread (otherwise edge may not snow melt properly)
  • Lay cable no less than 6 inches from side edges of finished tread
  • Account for future hand railings that could be mounted onto tread, especially in middle of long tread. Use marker or indicate on drawings where railing may be installed safely later.
  • Avoid pinching or sharply bending cable. At corner of riser and tread, keep minimum 1-inch radius bend, but secure flat enough that surface concrete or pavers will not pinch cable.
  • Do not install on non-masonry stairs such as wooden or composite construction.

STEP 3.13 - Special Applications: Expansion Joints

⚠️ Important: MeltMat heating cable must NEVER be run through an expansion joint. Doing so may cause damage to the cable with slab movement. It is recommended to lay the mat so these joints are avoided.

Expansion Joint Detail

However, if necessary, a portion of the heating cable may be dropped into the grade below the expansion joint as shown. Fill around the cable with at least 1 inch thick sand. The loop of heating cable should be long enough to allow flexing, and must not be embedded into the concrete (the sand should protect against this) since this would not allow the cable to flex with slab movement.

4

Finish Surfaces

STEP 4.1 - Pre-Surface Testing

Before beginning work, inspect mat for damage and secure any mat that may have come loose. To avoid burying possible damage:

  • Use digital multi-meter to measure resistance between conductors again (see Step 2.3)
  • If possible, electrician should perform insulation resistance test (megohmeter at min 1000 VDC, value at least 20 MΩ)

⚠️ CAUTION: Be prepared to install a marker plate or other identification indicating presence of MeltMat in the slab. This helps alert and avoid possible damage from future on-site work. Install marker plate where clearly visible in each snow-melted area, placed flush in wet concrete or soft surface. Do not damage the heating cable.

STEP 4.2 - Concrete Application Layers

Concrete Application Layers
1

Base Layer

Commonly dirt or gravel, should be leveled and flat to support upper layers evenly

2

Thermal Insulation

1" - 1-1/2" layer to reduce heat loss to the earth

3

Rough Concrete

Pour to fill about half the thickness of concrete slab over insulation, leveled accordingly

4

Heating Mats (MeltMat)

Lay on top of rough concrete to fill planned heated area

5

Fine Concrete (Finish Layer)

Smoothed to finish surface. Ensure no less than 1-1/2 inches and no more than 3 inches covers heating cables. Total slab thickness should be at least 4 inches.

STEP 4.3 - Asphalt Application

Asphalt Application Layers

Install as follows:

  • Lay base according to local code and requirements
  • Lay heating mats on top of base to fill planned heated area
  • Install binder course over heating cables - ensure at least 1-1/2 inches and no more than 3 inches covering
  • Install wear course (small aggregate, smooth surface layer)
  • Important: Asphalt must not be hotter than 275°F (135°C)

STEP 4.4-4.5 - Paver Applications

Brick Pavers

Brick Paver Installation

Stone or Ceramic Tile

Stone Tile Installation

Brick Pavers (4.4):

  • Lay base per local code and requirements
  • Lay heating mats on base, securing with landscape stakes every 2 feet
  • Carefully add 1-1/2 inch minimum layer of sand over mats, don't damage cables
  • Lay pavers on top according to manufacturer installation
  • Note: Heated cables must lay completely flat - no hills or lumps. Recommend sweeping sand with broom.

Stone or Ceramic Tile (4.5):

  • Lay base according to local code and requirements
  • Pour rough concrete layer to about half the desired thickness
  • Lay heating mat on top of rough layer
  • Pour fine layer over mat - heating cables 1-1/2 to 2 inches below surface
  • Install tile using thin-set method per manufacturer guidelines

STEP 4.6-4.8 - Final Testing and Connection

4.6

After finish surface is applied, use digital multi-meter to measure resistance between conductors again. Record these resistances. Contact factory if not within range.

4.7

If possible, electrician should perform insulation resistance test on mat (megohmeter at min 1000 VDC, value at least 20 MΩ).

4.8

If all readings are acceptable, make final electrical connections. Follow local code and the control, sensor, and relay instructions. After connections are made, test the snow melt system.

5

Controls and Sensors

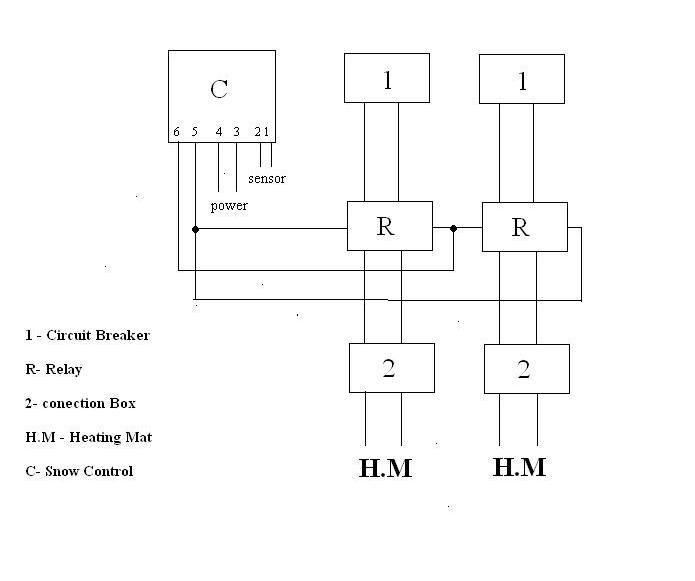
Wiring Diagrams

Refer to the Appendix for typical wire diagrams. Below are examples of wiring configurations:

Basic Configuration

Basic Wiring Diagram

1 - Circuit Breaker | R - Relay | 2 - Connection Box
H.M - Heating Mat | C - Snow Control

With Timer

Wiring Diagram with Timer

1 - Circuit Breaker | R - Relay | 2 - Connection Box
H.M - Heating Mat | C - Snow Control | T - Timer

TR8100VSM Controller

  • Moisture sensor on long cable
  • Can mount sensor on roof or remote location
  • Reliable automatic snow detection
  • Adjustable delay times for complete melting
  • Use with contactor relay for loads ≥16 amps

Slab Sensor Installation

  • Position halfway between heating cables
  • Sensor top flush with finish surface
  • Secure and seal to conduit
  • Protect with cap or seal during concrete pour
  • Located in area recommended by manufacturer
6

Snow Melt Installation Placard

Marker Plate

Install a marker plate where clearly visible in each snow-melted area. The plate should be placed flush in the wet concrete surface or soft surface.

U.S. Heating System Marker Plate

SNOW MELTING SYSTEM INSTALLED

Record all information and keep in a safe place

⚠️ WARNING: Do not drill, cut, or excavate in heated areas without first consulting installation photos and documentation.

Technical Specifications

Coverage Area9 to 113 sq ft per unit
Mat Width Options18" and 30"
Cable Thickness1/4 inch
Voltage Options120V or 240V
Watt per Sq Ft35W (light snow) / 50W (heavy snow)
Cable Spacing2-4 inches (min 2", max 4")
Standard Power Lead Length15 feet (custom up to 50 feet)
Edge Clearance6" from edges (12" without curb)
GFPE Protection30 mA – 100 mA
Insulation Resistance Test≥20 MΩ at 1000 VDC
Min Install Temperature40°F (4.5°C)
Max Asphalt Temperature275°F (135°C)

Ready to Install Your Snow Melting System?

Contact U.S. Floor Heating for expert guidance, product selection, and installation support. Our team is ready to help you create a snow-free driveway or walkway.